產品目錄
91看片儿免费看
液體流量計
91看片视频免费
油流量計
91看片网站下载
橢圓齒輪流量計
電磁流量計
渦街流量計
蒸汽流量計
孔板流量計
旋進旋渦流量計
熱式氣體質量流量計
轉子流量計
浮子流量計
靶式流量計
氣體流量計
超聲波流量計
磁翻板液位計
浮子液位計
浮球液位計
玻璃管液位計
雷達液位計
超聲波液位計
投入式液位計
壓力變送器
差壓變送器
液位變送器
溫度變送器
熱電偶
熱電阻
雙金屬溫度計
推薦產品
聯係91看片下载免费观看
- 金湖91看片下载免费观看儀表有限公司
- 聯係電話:15195518515
- 在線客服:1464856260
- 電話:0517-86801009
- 傳真號碼:0517-86801007
- 郵箱:1464856260@qq.com
- 網址:http://www.zhongtaijixie.net
- 地址:江蘇省金湖縣理士大道61號
91看片视频免费如何接線
發布時間:2021-03-20 14:13:11 點擊次數:4289次
3.4 電氣接線
為保證出線套的密封可靠,接線時應采用圓截麵電纜。
3.4.1 接線要求
所有接線應在切斷供電電源後進行。
1.在確認電纜型號後,按規定進行接線,接線應正確、牢靠。
2.按正確程序將電纜穿進出線套:*先鬆開出線套壓緊螺母,拿掉堵板。依次給電纜套上壓緊螺母、橡膠圈,再將電纜穿出線套。接線完成後理順電纜,並旋緊壓緊螺母使橡膠圈緊壓電纜。
3.電纜剝線時,注意不要損傷應予保留的絕緣層。對流量信號芯線,隻要可以接線,就盡量少剝屏蔽層。對 STT3200 電纜,兩同軸電纜的內層屏蔽泄漏線絞合後,應套上絕緣套管,然後再接至 SGND 端。對黑色半導體層應從根部切除,以免影響其他接線。
3.4.2 電纜
傳感器與轉換器之間的電纜長度與流體電導率和現場電氣幹擾等因素有關,電纜長度可用以下公式估算:
L≤σ ×4
式中: L-電纜長度(m)
σ -流體電導率(μS/㎝)
但電纜一般不得超過 100 m。為保證測量精度和防止幹擾,要求轉換器盡量靠近傳感器安裝。
1.勵磁電流線
勵磁電流線可采用二芯絕緣橡皮軟電纜線,建議型號為 YHZ-2×1 ㎜ 2或 RVVP2×32/0.2。
勵磁電流線的長度與信號電纜長度一致。當使用 STT3200 專用電纜時,勵磁電纜與信號電纜合並為一根。
2.流量信號線
分體型轉換器與傳感器配套使用時,對被測流體電導率大於 50μS/㎝的情況,流量信號傳輸電纜可以使用型號為 RVVP2×32/0.2 的聚氯乙烯護套金屬網屏蔽信號電纜。使用長度應不大於 100 m。信號線與傳感器配套出廠。信號線的處理可按圖 3-4 進行。
本轉換器提供有等電位激勵屏蔽信號輸出電壓,以降低電纜傳輸的分布電容對流量信號測量的影響。當被測電導率小於 50μS/㎝或長距離傳輸時,可使用具有等電位屏蔽的雙芯雙重屏蔽信號電纜。例如 STT3200 專用電纜或 BTS 型三重屏蔽信號電纜。
3.4.3 電源線
1.電源線可采用二芯絕緣橡皮軟電纜線,建議型號為 YHZ-2×1mm2。
2.對於交流供電轉換器,相線應接“L1”端子上!
3.對於直流供電轉換器,應注意到電線電阻與電源電壓有關,一般在 24V 供電電纜電阻不應大於 10Ω 。電源線的電阻值由導線的長度和截麵決定。
4.轉換器殼體必須接地!接線端子 PE 應采用不小於 1.6mm2接地銅線接大地。接地電阻值應不大於 10Ω 。
3.4.4 電流輸出線
使用電流輸出線(4-20mA)時,應注意到導線的電阻與負載電阻之和不得大於 750Ω 。電流輸出接線見圖 3.5。

3.4.5 頻率(脈衝)、上下限報警、流向標示等輸出均為集電*開路的電平輸出信號。
它們需要外接供電電源和負載,見圖 3.6b、3.6d。使用感性負載時,應如圖 3.6a 所示加續流二*管。


頻率輸出(脈衝輸出)推薦使用外供電源!若使用內部+12V 電源,分體轉換器 DIP 開關 SW1的兩個開關均應撥在“ON”位置。(參閱圖 3.3a;3.6b)
3.4.6 外部控製接點輸入(IN+、IN-)由開關或繼電器觸點 ON/OFF 控製,見圖 3.7。
注意,接點間電阻應小於 5Ω 。

3.5 數字通訊接口及接線
RS-232C 接口:按 IEEE RS-232C 接口標準設計,標配為非電氣隔離方式,可選光電隔離型接口。可支持 MODBUS 協議 RTU 格式。
RS-485 接口:按 IEEE RS-485 接口標準設計,標配為非電氣隔離方式,可選光電隔離型接口。可支持 MODBUS 協議 RTU 格式和 PROFIBUS-DP 通訊方式。
3.5.1 RS232 接線,如下圖所示:

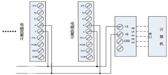
3.5.2 RS485 接線
3.5.2.1 非電氣隔離方式接線

一體轉換器接線(非電氣隔離方式)

分體轉換器接線(非電氣隔離方式)
3.5.2.2 帶光電隔離方式接線(包括 MODBUS 和 PROFIBUS-DP 通訊)

一體轉換器接線(光電隔離方式)

分體轉換器接線(光電隔離方式)
3.5.3 HART 通訊手操器與91看片视频免费的連接
手操器與91看片视频免费連接如下圖所示:

說明:
1)手操器並聯在91看片视频免费電流輸出的負載兩端沒有*性;
2)回路中的電阻應大於 200Ω ,小於 500Ω ;
3)手操器不能串入電流回路。
注意:91看片视频免费用手操器設置參數,通訊地址為非 0 值,波特率為 14400。若儀表通訊方式、地址及波特率設置不正確,手操器將不能設置參數!
3.6 數字量輸出:
數字量輸出是指頻率輸出和脈衝輸出.頻率輸出和脈衝輸出在接線上用的是同一組輸出端子,因此,用戶不能同時選用頻率輸出和脈衝輸出,而隻能選用其中的一種。
3.6.1 頻率輸出方式:
頻率輸出對應的是流量百分比,

頻率輸出的上限可調。其測量範圍如 0~1000HZ 或 0~5000HZ 等.
頻率輸出方式一般用於控製應用,因為它反映百分比流量,若用戶用於計量應用,則應選擇脈衝輸出方式.
3.6.2 脈衝輸出方式:
脈衝輸出方式主要用於計量方式。應用時應選擇適當的脈衝當量和脈衝寬度。脈衝當量采用與計量部門及其它流量儀表習慣一致的定義,即每個脈衝代表多少單位體積(或質量)。
一定流量下,選擇小的脈衝當量,相同時間內輸出的脈衝數多,計量精度高。但是在短時間內,容易將計數器記滿造成溢出。選擇大的脈衝當量時,輸出的脈衝數少,相同計數器位數的計數時間長,相應的頻率低。由於此時的計數器多采用電磁計數器,脈衝電流大。因此應注意選擇適當的脈衝寬度以減少計數器線圈導通時間,減低功耗。但是也不能選擇過小的脈衝寬度, 否則容易丟失脈衝數。
另外,必須說明,脈衝輸出不同於頻率輸出,脈衝輸出不是很均勻的脈衝串。一般測量脈衝輸出應選用計數器儀表,不應選用頻率計儀表。
3.6.3 頻率(脈衝)輸出的接線端子
P+/PUL+ — 頻率(脈衝)輸出+ 端子;
COM/PCOM — 頻率(脈衝)接地端子。
3.6.4 狀態輸出
本轉換器具有上限報警、下限報警、流向/量程標示三種狀態輸出。其+接線端子分別為 ALM+(AH)、ALM-(AL)和 PDIR(FDIR)。狀態輸出接線的另-端子是公用的 ALCOM(COM)。括號內為圓形轉換器的端子標示。
PUL+/ P+、ALM+(AH)、ALM-(AL)和 PDIR(FDIR)均為集電*開路(OC 門)輸出(參閱圖 3.6b、3.6d,用戶接線時必須參照如下電路外接電源和負載:
3.6.5 數字量電平輸出接法

3.6.6 數字量輸出接光電耦合器(如 PLC 等)

一般,用戶端光耦需 10mA 左右電流,負載電阻 R=E/10mA 左右,E=5~24V。因此,R=0.5~2.5kΩ 。
3.6.7 數字量輸出接繼電器

一般中間繼電器需要的 E 為 12V 或 24V。D 為續流二*管,目前大多數的中間繼電器內部有這個二*管。若中間繼電器自身不含有這個二*管,用戶應在外部接一個。
上一篇:渦輪流量計傳感器的安裝注意事項下一篇:91看片网站下载的安裝要求
相關資訊
- 中央空調91看片视频免费怎麽看流量
- 空調91看片视频免费怎麽接線
- 空調91看片视频免费選型要求
- 空調91看片视频免费安裝要求
- 空調91看片视频免费安裝位置
- 中央空調91看片视频免费型號規格
- 空調91看片视频免费工作原理
- 空調91看片视频免费的作用
- 電磁91看片视频免费的結構組成部分
- 電磁91看片视频免费計數不準原因分析
- 電磁91看片视频免费規格型號
- 電磁91看片视频免费允許誤差多少
- 電磁91看片视频免费的優缺點
- 智能電磁91看片视频免费接線示意圖
- 電磁91看片视频免费怎麽調慢
- 電磁91看片视频免费測量範圍
- 純91看片视频免费的規格型號
- 純91看片视频免费怎麽檢定
- 純91看片视频免费的故障處理
- 純91看片视频免费如何安裝
- 純91看片视频免费不走數故障分析
- 純91看片视频免费清洗與維護
- 純91看片视频免费計量不準原因分析
- 純91看片视频免费接線圖
- 純91看片视频免费的作用
- 純91看片视频免费選型規則
- 純91看片视频免费操作方法
- 循環91看片视频免费顯示為何不穩定
- 電廠循環91看片视频免费檢定周期
- 冷卻循環91看片视频免费的安裝位置

