產品目錄
91看片儿免费看
液體流量計
91看片视频免费
油流量計
91看片网站下载
橢圓齒輪流量計
電磁流量計
渦街流量計
蒸汽流量計
孔板流量計
旋進旋渦流量計
熱式氣體質量流量計
轉子流量計
浮子流量計
靶式流量計
氣體流量計
超聲波流量計
磁翻板液位計
浮子液位計
浮球液位計
玻璃管液位計
雷達液位計
超聲波液位計
投入式液位計
壓力變送器
差壓變送器
液位變送器
溫度變送器
熱電偶
熱電阻
雙金屬溫度計
聯係91看片下载免费观看
- 金湖91看片下载免费观看儀表有限公司
- 聯係電話:15195518515
- 在線客服:1464856260
- 電話:0517-86801009
- 傳真號碼:0517-86801007
- 郵箱:1464856260@qq.com
- 網址:http://www.zhongtaijixie.net
- 地址:江蘇省金湖縣理士大道61號
*先選擇對的油流量計要分清楚是什麽介質
1、具有黏稠性液體:用橢圓齒輪流量計,像潤滑油,高粘度油,花生油,汽油,柴油,食用油,液壓油,石油等。
2、具有低粘度的液體:用91看片儿免费看。
那麽,由下文進行簡單枚舉常見的油流量計種類有哪些:
一、橢圓齒輪流量計
橢圓齒輪流量計概述
橢圓齒輪流量計是用於管道中液體流量連續或間斷測量和控製的容積式計量儀表。它具有量 程範圍大、準確度高、壓力損失小、粘度適應性強、能測量高溫高粘液體、標定方便、安裝建議等諸多優點。適用於石油、化工、化纖、交通、商貿、食品、醫藥衛生等部門的流量計量。
LC 係列橢圓齒輪流量計裝有指針和字輪累積裝置,可現場直接顯示流經管道內的液體流量和 瞬時流量。在計數機構中附加發訊裝置與電顯儀表配套可實現累積、定量和瞬時流量遠傳集中控製。 加裝散熱器或橢輪欠齒可測量高溫、高粘液體。
不同的液體(酸、堿、鹽、有機溶液等)流量計主體可選擇不同的材質製造。
橢圓齒輪流量計結構與工作原理
橢圓齒輪流量計由流量變送器和計數機構組成。變送器與計數機構之間加裝散熱器,則構成高 溫型流量計。送變器由裝有一對橢圓齒輪轉子的計量室和密封聯軸器組成,計數機構則包含減速機 構、調節機構、計數器、發訊器。
計量室內由一對橢圓齒輪與蓋板構成初月形空腔作為流量的計量單位。橢圓齒輪靠流量計進出 口壓力差推動而旋轉,從而不斷地將液體經初月形空腔計量後送到出口處,每轉流過的液體是初月 形空腔的四倍,由密封聯軸器將橢圓齒輪轉的總數以及旋轉的快慢傳遞給計數機構或發訊器,便可 知道通過管道中液體總量和瞬時流量。
1.各種計數器功能及代號
2.型號及主要零件材質
*如有特殊需要請另行注明
橢圓齒輪流量計性能(誤差與壓力損失曲線)
解釋:1 圖中各種不同液體可用精度調節裝置將流量計誤差調整在 0 軸上下,使誤差達*佳值。
2 任何液體縮少流量量程比情況下,用精度調節裝置可提高流量計精度。
橢圓齒輪流量計技術參數
1 鑄鐵型、鑄鋼型、不鏽鋼型橢圓齒輪流量計
2 高粘型橢圓齒輪流量計
3 高精度橢圓齒輪流量計
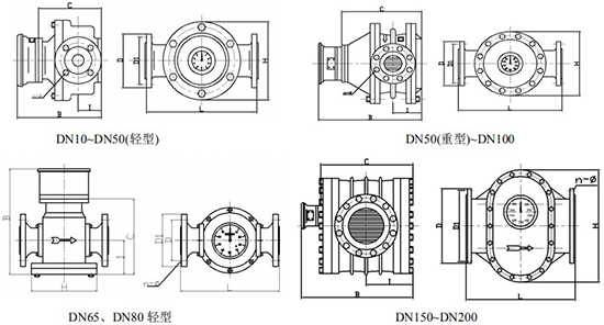
橢圓齒輪流量計外形尺寸
1 鑄鐵型橢圓齒輪流量計外形尺寸
型號:LC—A、LC—NA
2 鑄鋼型外形尺寸
型號:LC—E、LC—NE、 (外形同上)
*DN10/DN50(輕型)/DN65/DN80(輕型)法蘭尺寸為 1.6MPa 標準;其餘口徑為 6.4MPa 標準;
3 LC—B 型不鏽鋼橢圓齒輪流量計外形尺寸(單位:mm)
*高溫型橢圓齒輪流量計外形尺寸:DN15~DN50(輕型),B 尺寸按上表數據加 100mm 熱延伸管;DN50 (重型)~DN200,B 尺寸按上表尺寸加160mm 熱延伸管,其餘尺寸同上表相應尺寸。
橢圓齒輪流量計的安裝使用
1 流量計前應安裝配套過濾器,且配套過濾器的出口緊接流量計的入口,兩者本體上箭頭指向 與液體流向一致。
2 當被測液體含有氣體時,流量計前應安裝消氣過濾器。
3 不論管路是垂直還是水平安裝,但流量計中的橢圓齒輪應安裝成水平位置(即表度盤應與地 麵垂直)。
4 流量計在正確安裝情況下,如果不易看清讀數,可把計數器轉向 180 度或 90 度均可。
5 新流量計在安裝前先用竹棍從出口處把橢圓齒輪推幾次,如發現不動,可以用柴油浸泡(避免 出廠校驗後內存沉澱物)。
6 流量控製閥應安裝在流量計進口處,開閉閥門裝在出口處,使用開閉閥時緩慢啟動,不要突 然開啟以防“水擊”現象。
7 在新管道上安裝流量計前,管道需要衝洗,衝洗時采用直管段(替代流量計位置)防止焊渣, 雜物等進入流量計。
8 嚴禁用水校驗鑄鐵、鑄鋼材質的流量計。
9 流量計在使用時流量大小不得超過技術要求.流量計工作在*大流量 50—80%為優。
10 被測液體如果具有化學腐蝕性,須選用不鏽鋼材質的流量計。
橢圓齒輪流量計誤差計算及調整
1 流量計的基本誤差,由各檢定流量點的各種測得值,分別按正式計算:(容積法)
E=(Vm—V)/V×100%
E—流量計誤差(一般指累積誤差)取二位有效數字.
Vm—流量計測得值
V—經修正後,流量標準裝置測得值(即實際值)
由基本誤差計算公式,當
Vm>V 時,流量計基本誤差為”+”值,表示流量計走快了.
Vm<V 時,流量計基本誤差為”—”值,表示流量計走慢了。
為了使流量計誤差在基本誤差限之內,往往需要進行誤差調整.即通過更換裝在計數器內的一 對調整齒輪(調整牙)來改變機械傳動速比,從而使流量計的示值得以調整。
誤差調整不能改變流量計的流量特性,僅使其特性曲線人為的處於新的坐標係中。
一般來說,在規定(或實際使用)的流量範圍內,其*大與*小流量點的基本誤差範圍不在規定 精度的基本誤差限,均可通過誤差調整使其流量計基本誤差合格。
已使用過的流量計,一般先用原來的調節齒輪組進行誤差檢定,然後根據具體的誤差情況再進 行誤差調整。
2 橢圓齒輪流量計誤差調整方法(誤差調整表使用說明)
1. 設計時的標準雙層齒輪是 38/35,在檢驗時若發現流量計走快了.如+1.02~0.3 時,應將雙 層齒輪 38/35 齒輪對應的零位,上移到 41/38 齒輪相對應+0.63 的位置,這樣差曲線便處於新的坐 標係中,而流量計的誤差被調整在+0.33~—0.33 的範圍內,便達到合格要求。
2. 流量計在使用中,由於工作條件不同和變化,誤差往往會變化,以至超差,隻要誤差範圍 不超過 1%一般均可以調節.例如儀表誤差下降到—0.7~+0.2,而需調換雙層齒輪時,*先應看雙層 齒輪是多少齒的,如果是 38/35 則按(1)法調整,若是 41/38 齒輪時,則應將該齒輪相對應的誤差 +0.63 作為零位,這時應將 41/38 齒輪調換成 40/37 雙層齒輪,誤差便可調整到—0.5~+0.4 範圍內 保證合格。
橢圓齒輪流量計常見故障原因,排除方法
橢圓齒輪流量計型號標識
二、91看片儿免费看
91看片儿免费看概述
渦輪流量計是速度式流量儀表中的一種,也叫葉輪式流量計,以動量矩守恒原理為基礎。
渦輪流量計的結構見右邊圖 1-1 和圖 1-2,流體在管道中流動時衝擊渦輪葉片,使渦輪旋轉,渦輪的旋轉速度隨流量的變化而變化,*後從渦輪的轉數求算出流量值,在二次儀表上進行計數和顯示,可反映出瞬時流量和累積流量(或稱總量),也可轉換成標準信號進行遠傳。此外,傳感器輸出的脈衝頻率信號可以單獨與計算機配套使用,由計算機代替流量顯示儀表實現密度或溫度、壓力補償,顯示流體體積流量或質量流量。是目前流量儀表中比較成熟的高準確度儀表之一。
91看片儿免费看部件組成
通常渦輪流量計由整流器、儀表管段、傳感器和前置放大器構成。
整流器是為了消除或減少流動中的漩渦流、偏心流等各種非軸對稱流和脈動流而設置於流量計前端管道中的裝置。
儀表管段是指包括整流器、上下遊直管段以及流量計在內的配管部分。
傳感器是把轉子的轉動轉換成電信號的裝置。通常把渦輪流量計中感知流體流速的渦輪及其組合(包括前後導流架、軸承、殼體及前置放大器)統稱為渦輪流量傳感器。
前置放大器是為了傳送傳感器的電信號而對其進行放大、整形,從而得到輸出信號的裝置。將輸出信號的信號處理、轉換部分稱為二次儀表或顯示儀表。
91看片儿免费看工作原理
流體通過傳感器殼體時,由於葉輪的葉片與流向有一定的角度,流體的衝力使葉片具有轉動力矩,克服摩擦力矩和流體阻力之後葉片旋轉,在力矩平衡後轉速穩定,在一定的條件下,轉速與流速成正比,由於葉片有導磁性,它處於信號檢測器(由永久磁鋼和線圈組成)的磁場中,旋轉的葉片切割磁力線,周期性的改變著線圈的磁通量,從而使線圈兩端感應出電脈衝信號,此信號經過放大器的放大整形,形成有一定幅度的連續的矩形脈衝波,可傳至顯示儀表,顯示出流體的瞬時流量或累積流量。
在一定的流量範圍內,脈衝頻率 f 與流經傳感器的流體的瞬時流量 Q 成正比,流量方程為:
式中 qv —— 流體的瞬時流量(工作狀態下)m3/h ;
f —— 脈衝頻率,Hz;
K —— 傳感器的儀表係數 m-3 ,由校驗單給出。
每台傳感器的儀表係數由我公司填寫在檢定**中,K 值設入配套的顯示儀表中,便可顯示出瞬時流量和累積總量。
91看片儿免费看產品特點與材質
本公司產品的各項零部件均采用高精度的數控機床加工成型,具有一致性好,產品質量穩定,各項指標均優於同類國標要求。
傳感器閥體采用國標 304 不鏽鋼製作,法蘭采用 HG20593-2009、PN16 標準;
前後導向支架選用 304 不鏽鋼精密鑄造成型,表麵光潔度高,對流體通過時阻力小,與閥體緊密配合,在大流量通過時無噪聲。
軸承選用高品質硬質合金軸承,耐磨蝕、耐腐蝕、壽命高。
葉輪選用高導磁不鏽鋼材料,整體式設計,經過高精密加工中心的一道道精雕細琢,品質優良,從而保證了整機的性能要求。
二次儀表選用國內知名廠家的產品,以確保整機在使用中的穩定性和精準性。
91看片儿免费看適用場合
我公司研製生產的 LWGY 型渦輪流量計是在吸收國內外流量儀表的先進技術並結合實際使用情況加以優化設計而成的新一代渦輪流量計,廣泛應用於測量封閉管道中與不鏽鋼 1Cr18Ni9Ti、2Gr13、剛玉 Al2O3和硬質合金不起腐蝕作用,且無纖維、顆粒等雜質,工作溫度下運動粘度小於 5*10-6m2/s 的液體,對於運動粘度大於 5*10-6m2/s 的液體,可對流量計進行實液標定後使用。若與具有特殊功能的顯示儀表配套,還可以實現定量控製、超量報警等功能,是流量計量和節能的理想儀表。與相應的流量積算儀表、現場顯示表等配套可用於測量液體的流量和總量。它被廣泛用於石油、化工、冶金、科研、國防、計量等領域的計量、控製係統。
如用戶需用特殊形式的傳感器,可協商訂貨,需防爆型傳感器時,在訂貨中加以說明。
91看片儿免费看規格代號與儀表參數
1 規格代號的表示方法
LWGY 型渦輪流量傳感器型號和規格代號表:
2 儀表參數
傳感器的公稱通徑、流量範圍、流體溫度、公稱壓力、環境溫度、相對濕度、*大壓力損失表:
91看片儿免费看產品特點
本公司生產的渦輪流量計主要有以下特點:
1 優點
①準確度高。渦輪流量計的測量精度一般為±0.25%R~±0.5%R,高精度型可達±0.15%R。在線性流量範圍內,即使流量有所變化也不會降低累積準確度。
②測量範圍寬。*大和*小線性流量比通常為 6:1~10:1,有的大口徑流量計甚至可達 40:1,故適宜流量大幅度變化的場合。
③重複性好。短期重複性可達 0.05%~0.2%,由於具有良好的重複性,因此在貿易結算中是優先選用的流量計。
④壓力損失小。流通能力大(同樣口徑可通過的流量大)。
⑤耐高壓。由於外形簡單並且采用磁電感應結構,儀表殼體上無需開孔,容易實現耐高壓設計,可用於高壓液流的測量。
⑥數字信號輸出。傳感器輸出的是與流量成正比的脈衝頻率信號(即數字信號),易於遠傳,因此適用於總量及瞬時流量的計量與控製,信號的抗幹擾能力也較強。獲得的信號頻率高,信號分辨率強。
⑦安裝維修方便。結構簡單輕巧,安裝維護方便。因為無滯留部分,內部清洗簡單。如發生故障,並不影響管道內流體的輸送。
⑧適用範圍廣。基本上為圓筒形設計,容易適應高溫、高壓的要求和低溫流體的測量;
⑨耐腐蝕。傳感器采用國標不鏽鋼抗腐蝕材料製作,耐腐蝕性能好。
2 局限性
①不能長期保持校準特性,需定期校驗。對於貿易儲運等有高準確度測量要求的,*好配備現場校驗設備,可定期校驗以保持其特性。
②不太適宜高黏度型介質。對黏度變化反應敏感。介質黏度增大使流量計測量下限值提高,範圍度縮小,線性度變差。
③儀表受來流流速分布畸變和旋轉流影響較大,傳感器上下遊所需直管段較長,如安裝空間受限製,可加裝流動調製器(整流器)以縮短直管段長度。
④對被測介質清潔度要求較高。
91看片儿免费看外形尺寸參數
91看片儿免费看安裝方法
渦輪流量傳感器的安裝布置簡圖如圖 6-1。
渦輪流量計在出廠時將流量傳感器、檢測部件、流量顯示儀表等組件分開包裝,在現場安裝的步驟如下:
①檢查傳感器、檢測部件、流量顯示儀表的出廠編號(或儀表係數)是否一致,切不可將不同出廠編號(或儀表係數)的組件混合安裝,以免影響測量準確度。
②按安裝要求將傳感器組件裝在管路上。
③用螺紋連接方式將檢測部件固定在傳感器組件上。
④在傳感器殼體上安裝流量顯示儀表組件(整體安裝),或將流量顯示儀表安裝在傳感器附件的管路上。
91看片儿免费看流量計的安裝
1.在安裝渦輪流量傳感器時,必須保證滿管安裝,即管道中充滿流體。否則流量測量會受到影響,導致測量誤差。水平安裝時如圖 6-2 示意安裝,垂直時如圖 6-3 示意安裝。
2.若流量傳感器安裝位置位於管線的低點,為防止流體中雜質沉澱滯留,應在其後的管線安裝排放閥,定期排放沉澱雜質。
3.流量計一般水平安裝,要垂直安裝時需在訂貨時說明。
4.流量傳感器不應裝在水平管線的*高點,以免管線內聚集的氣體(如停流時混入空氣)停留在流量傳感器處不易排出而影響測量。正確安裝參見圖 6-4 的方式。
5.傳感器的安裝方式根據規格不同,采用螺紋或者法蘭安裝。嚴禁在流量計殼體上進行焊接。焊接時必須將流量計拆離管線。
6.安裝流量計前應將管道內的雜物、焊渣、粉塵清理幹淨。
7.在需要連續運行不能停流的場合,為了檢修時不致影響流體的正常輸送,建議在流量傳感器的安裝處,按圖 6-1 設置旁通管路和可靠的截止閥,測量時應保證旁通管路無泄漏。
8.流量計安裝時,其上、下遊應根據使用說明書的要求配置相應長度的直管段。傳感器上遊端至少有 20 倍公稱通徑長度的直管段,下遊端應不少於 5 倍公稱通徑長度的直管段。
9.為保證流量計的使用壽命,必須安裝過濾器。對於不能停流的,應並聯安裝兩套過濾器,輪流清除雜質,或選用自動清洗型過濾器。
10.安裝時注意流體方向,不得反向安裝。
11.需要安裝流量調節閥的場合,調節閥應安裝在流量計的下遊處,以減少來自上遊的流量幹擾,利於流量的調節穩定。上遊側的截止閥測量時應全開,且這些閥門都不得產生振動和向外泄漏。壓力表可裝在上下遊進出口處,溫度計應裝在下遊 5DN 處。對於可能產生逆向流的管線應加裝止回閥以防止流體反向流動。
12.流量傳感器露天安裝時,請做好遮陽和防雨淋措施。
13.流量計外殼設有接地端子,應可靠接地,但不得與強電係統地線共用。
14.現場安裝、維護必須遵守“有爆炸性氣體時勿開蓋”的警告語,並在開蓋前關掉外電源。
15.拆裝流量計時,對磁感應部分不能碰撞。
16.投入運行前先進行儀表係數的設定。仔細檢查,確保儀表接線無誤,接地良好,方可送電。
17.渦輪流量計所安裝的管道不得對其施加任何應力。
18.進行管道耐壓試驗時,渦輪流量計不得安裝在管道上。
19.流量計顯示儀表應可以轉動一定角度。
三、靶式流量計
靶式流量計工作原理
當介質在測量管中流動時,因其自身的動能通過阻流件(靶片)時而產生的壓差,並對阻流件有一作用力,其作用力的大小與介質流速的平方成正比。阻流件(靶片)接受的作用力F,經剛性連接的傳遞件(測杆)傳至雙電容傳感器,雙電容傳感器產生電容差經高精度AD芯片進行處理,直接輸出數字信號,由此,通過AD轉換及計算機處理後,即可得到相應的瞬時流量和累積總量,其工作原理見示意(圖1):
靶式流量計結構
電容式靶式流量計主要由測量管(外殼)、雙電容傳感器(含阻流元件)、積算顯示和輸出部分組成。根據不同的介質和工況,必須選用相適應的雙電容傳感器,因此,用戶提供準確的計量對象及參數,生產廠家選用合適的電容力傳感器是產品能否計量準確的關鍵。其結構如右(圖2):
靶式流量計特點
1.采用大屏液晶顯示,可同時顯示多組參量,讀數更直觀;
2.整台儀表在設計中無可動部件,插入式結構,拆卸方便;
3.可選用多種防腐及耐高低溫材質(如哈氏合金,鈦等);
4.整機可做成全密封無死角(焊接形式),無任何泄漏點,可耐42MPa高壓;
5.儀表內設自檢程序,故障現象一目了然;
6.傳感器不與被測介質接觸,不存在零部件磨損,使用安全可靠;
7.具有多種安裝方式供選擇,如選擇在線插入式,安裝費用低;
8.具有一體化溫度、壓力補償,直接輸出質量或標方;
9.具有可選小信號切除、非線性修正、濾波時間可選擇;
10.能準確測量各種常溫、高溫500度、低溫-200度工況下的氣體、液體流量;
11.計量準確,精度可達到0.2%;
12.重複性好,一般為0.05~0.08%,測量快遞;
13.壓力損失小,僅為標準孔板的1/2△P左右;
14.抗幹擾,抗雜質能力特強;
15.可根據實際需要更換阻流件(靶片)而改變流量範圍;
16.安裝簡單方便,*易維護;
17.多種輸出形式,能遠傳各種參數;
18.抗震動性強,一定範圍內可測脈動流。
靶式流量計技術指標
靶式流量計外形及尺寸
連接短管及法蘭公稱直徑氣體采用DN100mm,液體采用DN50mm,法蘭規格采用國標1.6MPa、2.5MPa、4.0MPa,密封麵形式RF。
4.連接法蘭規格
a、法蘭規格:公稱壓力0.6MPa~42.0MPa;
b、法蘭尺寸主要采用**標準GB/T係列,並可采用化工行業標準HG係列、機械行業標準JB/T係列,也可協商提供按照客戶要求的法蘭。
靶式流量計的安裝及要求
1.流量計的安裝
高溫型(80度至500度)、常溫型(-30度至70度)、低溫型(-200度至-40度)
a.常溫型、低溫型、高溫型流量計視不同工況采用水平、垂直或倒置式安裝(以出廠效驗單為準);
b.介質工作溫度在300度以上時,用戶應對流量計殼體采取隔熱措施防止熱輻射損壞表頭(表頭工作溫度為-30至70度),同理工作溫度-100度以下的介質,也要采取防凍措施;
c.為保證流量計準確計量,要求設置前後直管段;(圖8)
d.為保證流量計在檢查及更換時不影響係統工作,應盡量設置旁通閥(3)及切斷閥(1、2);(圖8)
e.因工藝需要可采用垂直安裝,被測介質流向可由下至上,也可由上至下,但訂購時應向供貨方說明;
f.流量計口徑與相連的管道口徑尺寸盡量相同,以減少流動幹擾,造成計量誤差;
g.法蘭式和夾裝式流量計安裝時,應注意法蘭之間密封墊片內孔尺寸大於流量計和工藝管道通徑6-8mm及否同軸,以避免因其產生幹擾流而影響計量精確度;
h.插入式流量計安裝時,將短管及法蘭焊到管道上時必須確保流體正對著靶片受力麵,焊接短管高度在100mm(從管道內壁至法蘭密封麵的距離);(圖9)
i.對於新完工的工藝管道,應先進行初步吹掃後再安裝流量計;
j.測量管外壁上箭頭所指方向為被測介質流向;
k.流量計殼體必須可靠接地,若無接地條件應向廠方說明;
l.流量計連接法蘭規格執行GB/T係列標準,也可以根據用戶要求特殊加工(以出廠效驗單為準)。
1、2、3分別為前後閥和旁通閥;4為流量計,L≥10D和L≥5D分別為前後直管段長度,D為管道公稱直徑。
2.流量計設置零點
注:(流量計安裝後必須先進置零操作)
由於電容式力傳感器及阻流件有自重,在流量計安裝時不在水平方位狀況下,需要重新設置流量計零點。
操作程序為:(也可在管道內無介質流動時直接置零,高溫型及低溫型流量計必須使管道內溫度達到工作溫度後置零)
a.關閉流量計下遊的閥門;
b.緩慢打開流量計上遊閥門,使流量計充滿介質;
c.緩慢打開流量計下遊閥門,使流量計運行10分鍾左右;
d.關閉流量計上、下遊閥門,並確定管道內流量為零;
e.用白紙或手指按在“ZERO”位置不小於3S;見(圖10)
靶式流量計注意事項
不允許直接在流量計測量管前後端安裝閥門、彎頭等*大改變流體流態的部件。
如果需要在流量計前後管道上安裝閥門、彎頭等部件也應盡量保證前後直管段長度。
靶式流量計接線
a、24V供電型
1.24V供電型流量可具備多種輸出方式,
a.電流輸出:4~20mA;電源:16-32VDC,二線製;
b.脈衝輸出:0~1000Hz;內阻1000Ω;電源:16-32VDC;10mA(帶背光20mA);
c.RS485接口:電源:16-32VDC;10mA(帶背光20mA);
d.電流輸出+HART:4~20mA;電源:16-32VDC,二線製;
2.電流輸出特性(圖4)
以上圖中Imin為流量計*小顯示流量所對應的電流輸出值,其輸出值的大小為:
同理:可計算出滿量程輸出範圍內任-輸出電流及對應流量值。
3.0~1000HZ脈衝輸出特性(圖5)
4.儀表接線
a.流量計信號輸出線電氣連接口規格為:M20×1.5
b.4~20mA電流輸出為二線製(圖6)
c.脈衝輸出為三線製(圖7)
b、3.6V電池供電型
3.6V電池供電型的流量計,無法顯示電池的容量,當電池電壓越來越低時,顯示會慢慢變模糊,應**更換電池。更換電池應為相同技術參數的電池,我公司電池可使用兩年。(可向我廠谘詢或購買)
為提高電池的使用時間,可通過修改濾波係數LP參數,該值設置越大,則代表可以使用更長時間,但流量計采集速度將會變慢。
*新資訊
- 柴油流量計結構和原理
- 重油流量計選型
- 汽油流量計常見故障及解決方案
- 汽油流量計不走流量的原因
- 甘油流量計選型
- 齒輪油流量計種類
- 齒輪油流量計原理
- 成品油流量計誤差檢定
- 成品油流量計計量精度
- 測油流量計的特點
- 測油流量計如何選購
- 測油流量計,油流量計量表
- 油流量計量表
- 油流量計廠家
- 油流量計,油流量表
- 測油流量計,油流量計廠家
- 油流量計量表,油流量計廠家
- 油品流量計,油流量計量表
- 油流量計,測油流量計
- 油流量計,油流量計量表
- 油流量表,油流量計廠家
- 油流量計廠家,油品流量計
- 油流量計量表,測油流量計
- 油流量計量表,油流量表
- 測油流量計,成品油流量計
- 油流量表,成品油流量計量器
- 油流量計量表,成品油流量計
- 洗油流量計,白油計量表
- 測油流量計,成品油流量計量器
- 油流量表,油流量計量表



















































