產品目錄
91看片儿免费看
液體流量計
91看片视频免费
油流量計
91看片网站下载
橢圓齒輪流量計
電磁流量計
渦街流量計
蒸汽流量計
孔板流量計
旋進旋渦流量計
熱式氣體質量流量計
轉子流量計
浮子流量計
靶式流量計
氣體流量計
超聲波流量計
磁翻板液位計
浮子液位計
浮球液位計
玻璃管液位計
雷達液位計
超聲波液位計
投入式液位計
壓力變送器
差壓變送器
液位變送器
溫度變送器
熱電偶
熱電阻
雙金屬溫度計
推薦產品
聯係91看片下载免费观看
- 金湖91看片下载免费观看儀表有限公司
- 聯係電話:15195518515
- 在線客服:1464856260
- 電話:0517-86801009
- 傳真號碼:0517-86801007
- 郵箱:1464856260@qq.com
- 網址:http://www.zhongtaijixie.net
- 地址:江蘇省金湖縣理士大道61號
羅茨腰輪流量計
- 品*:JKM/91看片下载免费观看儀表
- 型號:JKM-LLQ
- 測量範圍:10-5000m³/h
- 精度等級:±1.5%
- 公稱通徑:DN25~DN200
- 適用介質:天然氣 煤氣 液化石油氣
- 工作壓力:1.6-6.3MPa
- 工作溫度:-50℃~80℃
- 供電方式:24VDC 鋰電池
- 訂貨號:RFTGFOXFL315
羅茨腰輪流量計概述
本產品是一種容積式流量計量儀表。當氣體通過流量計時,在入口和出口間產生的壓差作用在與高精密同步齒輪聯結在一起的一對羅茨輪上,從而驅動羅茨輪旋轉。在這期間,羅茨輪與殼體內壁和蓋板之間形成的密閉空間-計量腔周期的充氣和排氣。羅茨輪的轉數與通過流量計的氣體體積量成正比。羅茨輪的旋轉經由磁電轉換器變為電脈衝信號,送入流量積算儀進行運算處理,並顯示氣體總量。

羅茨腰輪流量計特點
·精度高,重複性好。內部轉子經精密加工和平衡檢測,無接觸旋轉,良好的油潤滑,確保了流量計精度不變,工作壽命長。
·流量計前後不需要直管段,可以安裝在環境狹窄的場合。
·始動流量小,量程比寬,適合於計量負荷變動大的氣體流量
·計量精度不受壓力和流量變化的影響,性能穩定,壽命長。
·通用性好,所有羅茨流量傳感器均可使用通用的附件。
·配置RS-485通訊接口和專用信號集中器配套,可通過GPRS/CDMA、Internet、電話網絡組成遠程數據采集及監控係統,便於數據的集中采集和實時管理。
·電路采用表貼安裝工藝,機構緊湊、抗幹擾能力強,可靠性高。采用高性能微處理器和現代數字濾波技術,軟件功能強大,可靠性高。
·采用浮點運算和五段儀表係數自動修正,並具有故障自診斷和報警功能。
·采用微功耗高新技術,內、外電源供電工作,整機功耗低。
·就地顯示流量值,並帶多種信號輸出功能。
·采用高對比度的液晶顯示器,可顯示標準累積流量、標準體積流量、工況體積流量百分值、介質溫度、壓力值和電池容量百分量,並帶中文提示符。
·具有實時數據存儲功能,可防止更換電池或突然掉電時數據丟失,在停電狀態下,內部參數。
·可永久性保存。
·儀表具有防爆功能,防爆標誌為ExiaⅡCT4。
·流量計外殼防護等級為IP65
羅茨腰輪流量計工作原理
LLQ係列氣體腰輪流量計,主要由殼體、共軛轉子和計數裝置等部件構成。裝於計量室內一對共軛轉子在流通氣體的出入品壓差作用下,通過精密加工的調校齒輪使轉子保持正確的相對位置。轉子間、轉子與殼體、轉子與牆板間保持*佳工作間隙,實現了連續地無接觸密封。轉子每轉動一周,則輸出四門計量室有效容積的氣體,轉子的轉數通過磁性密封聯軸裝置及減速機構,傳遞到積算指示計數器,從而顯示輸出氣體的累積體積量。其計量過程和工作原理如圖所示。

羅茨腰輪流量計技術參數

羅茨腰輪流量計流量範圍

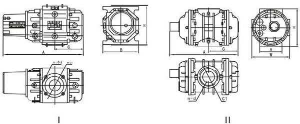
羅茨腰輪流量計外形尺寸


羅茨腰輪流量計安裝要求



