產品目錄
91看片儿免费看
液體流量計
91看片视频免费
油流量計
91看片网站下载
橢圓齒輪流量計
電磁流量計
渦街流量計
蒸汽流量計
孔板流量計
旋進旋渦流量計
熱式氣體質量流量計
轉子流量計
浮子流量計
靶式流量計
氣體流量計
超聲波流量計
磁翻板液位計
浮子液位計
浮球液位計
玻璃管液位計
雷達液位計
超聲波液位計
投入式液位計
壓力變送器
差壓變送器
液位變送器
溫度變送器
熱電偶
熱電阻
雙金屬溫度計
推薦產品
聯係91看片下载免费观看
- 金湖91看片下载免费观看儀表有限公司
- 聯係電話:15195518515
- 在線客服:1464856260
- 電話:0517-86801009
- 傳真號碼:0517-86801007
- 郵箱:1464856260@qq.com
- 網址:http://www.zhongtaijixie.net
- 地址:江蘇省金湖縣理士大道61號
91看片网站下载選型指南與外形尺寸
發布時間:2021-03-10 06:35:59 點擊次數:5048次
技術性能及選型指南
1、執行標準
產品執行 GB/T 18940-2003《封閉管道中氣體流量的測量渦輪流量計》
2、精確度等級
在規定的流量範圍內和工作條件下流量計的精確度等級為 1.0級和 1.5級
3、流量計參數

4、標準狀態條件
P=101.325KPa,T=293.15K
5、使用環境條件
環境溫度:-30℃~+65℃
相對濕度:5%~95%
介質溫度:-20℃~+80℃
大氣壓力:86KPa~106KPa
6、工作電源及信號輸出
6.1工作電源
A.外電源:+24VDC±15%,紋波<5%,適用於 4~20mA輸出、脈衝輸出、報警輸出、RS-485等;
B.內電源:1組 3.6V鋰電池(ER26500),當電壓低於 3.0V時,出現欠壓指示。
6.2整機功耗
A.外電源:<2W;
B.內電源:平均功耗 1mW,可連續使用兩年以上。
6.3脈衝輸出方式
工況脈衝信號,直接將流量傳感器檢測的工況脈衝信號經光耦隔離放大輸出,高電平≥20V,低電平≤1V;
定標脈衝信號,與 IC卡閥門控製器配套,高電平幅度≥ 2.8V,低電平幅度≤ 0.2V,單位脈衝代表體積量可設定範圍:0.001m3~100m3。單選擇該值時必須注意:定標脈衝信號頻率應≤1000Hz。
定標脈衝信號,經光耦隔離放大輸出,高電平≥20V,低電平≤1V。
6.4 RS-485通信(光電隔離),可實現以下功能:
A.采用 RS-485接口,可直接與上位機或二次表聯網,遠傳顯示介質的溫度、壓力和經溫度、壓力補償後的標準體積流量和標準體積總量;
B.由 RS-485接口與 HW-Ⅰ數據采集器配套,可組成電話網絡通信係統,一台數據采集器可帶 15台流量計;
C.由 RS-485接口與 HW-Ⅱ數據采集器配套,可組成寬帶網絡通信係統,由 INTERNET傳輸數據,一台數據采集器可帶 8台流量計。
6.5 4~20mA標準電流信號(光電隔離)
與標準體積流量成正比,4mA對應 0 m3/h, 20 mA對應*大標準體積流量(該值可在一級菜單中進行設置),製式:兩線製或三線製,流量計可根據所插電流模塊自動識別,並正確輸出。
6.6控製信號輸出
A.下限報警信號(LP):光電隔離,高低電平報警,報警電平可設定,工作電壓+12V~+24V,*大負載電流50mA;
B.上限報警信號(UP):光電隔離,高低電平報警,報警電平可設定,工作電壓+12V~+24V,*大負載電流50mA;
C.關閥報警輸出(BC端,IC卡控製器用):邏輯門電路輸出,正常輸出低電平,幅度≤0.2V;報警輸出高電平,幅度≥2.8V,負載電阻≥100kΩ;
D.電池欠壓報警輸出(BL端,IC卡控製器用):邏輯門電路輸出,正常輸出低電平,幅度≤0.2V;報警輸出高電平,幅度≥2.8V,負載電阻≥100kΩ;
7、現場顯示功能
A.積算儀顯示麵板上實時顯示工況(或標況)下的溫度、壓力、瞬時流量、累計流量;
B.報警功能:流量上下限、溫度上下限、壓力上下限報警,報警方式:字符閃爍。
8、防爆型式與等級
隔爆型:其防爆標誌為 ExdIIBT4、ExdIICT4-T6(不含乙炔);
本安型:其防爆標誌為 ExiaIICT4
9、防護等級
IP65
10、電器接口
內螺紋 M20*1.5
11、選型指南
11.1用戶在選型時,應根據管道公稱壓力、介質*高壓力、介質溫度、介質組分情況、流量範圍及信號輸出要求合理選擇流量計的型號規格。
11.2為使流量計的使用性能*佳,流量計的使用流量範圍應在(20%~80%)Qmax範圍內比較合適。
11.3流量計出廠時的信號輸出方式:工況脈衝信號輸出(三線製)、標準流量信號(IC卡)輸出或 RS-485通訊輸出。若要求有其它輸出功能,請在訂貨時說明。
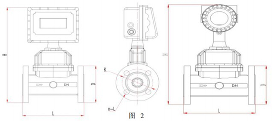
儀表外形尺寸
4.1 流量計外形尺寸及安裝
流量計的外形尺寸見圖2,圖中未注尺寸列於表2中,流量計采用法蘭連接方式。法蘭尺寸執行GB/T9112~9113-2000標準。


注:圖 1所示為溫壓補償型儀表外型。
所有型號儀表傳感器部分以及整機高度尺寸一致,該尺寸僅供參考,具體參考實物,技術升級導致尺寸變更暫不另行通知。
上一篇:沒有了!下一篇:91看片网站下载的產品特點和適用範圍
相關資訊
- 91看片网站下载安裝直管段要求
- 91看片网站下载的結構與工作原理
- 91看片网站下载的產品特點和適用範圍
- 91看片网站下载選型指南與外形尺寸
- 91看片网站下载使用環境
- 91看片网站下载使用注意事項
- 91看片网站下载怎麽清洗
- 91看片网站下载適用範圍
- 91看片网站下载為什麽要加油
- 91看片网站下载波動大解決辦法
- 91看片网站下载安裝距離要求
- 91看片网站下载安裝注意事項
- 91看片网站下载應用範圍
- 91看片网站下载常見故障有哪些
- 提高91看片网站下载精度的方法
- 91看片网站下载精度等級
- 91看片网站下载的技術參數
- 91看片网站下载不準原因
- 91看片网站下载的優缺點
- 91看片网站下载的用途
- 91看片网站下载接線圖
- 91看片网站下载種類
- 用91看片网站下载測量天然氣流量
- 91看片网站下载的優點
- 91看片网站下载使用方法
- 91看片网站下载的選型表
- 91看片网站下载結構圖
- 影響91看片网站下载測量精度的因素及措施
- 91看片网站下载維護保養
- 91看片网站下载特點

