91看片下载免费观看,91看片儿免费看,91看片网站下载,91看片视频免费

歡迎光臨金湖91看片下载免费观看儀表有限公司!本公司主營:渦輪流量計,電磁流量計,渦街流量計,孔板流量計,金屬管浮子流量計,磁翻板液位計等儀器儀表,聯係熱線:15195518515

金湖91看片下载免费观看儀表有限公司LOGO

金湖91看片下载免费观看儀表有限公司

品質保證,服務周到,儀器儀表供應商

--24小時服務熱線--15195518515
當前位置:*頁>>新聞資訊>>91看片网站下载接線圖

91看片网站下载接線圖

發布時間:2021-04-24 07:51:47  點擊次數:3534次
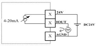
兩線製4-20mA輸出功能接線說明
 
三線製4-20mA電流輸出
 
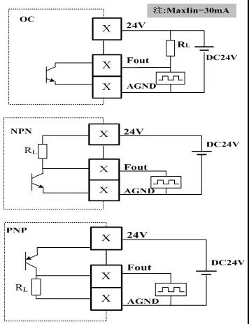
脈衝輸出接線圖
 
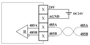
RS485輸出接線圖
 
IC卡信號接線說明
 
說明:
1、默認低電平,高電平有效,高電平>2.8V,低電平<0.2V,脈衝寬度可設置,BC、BL接線方式與IC信號相同(詳細請谘詢售後人員)。
2、任意供電下均有IC卡信號輸出。
 
報警輸出接線說明
網站地圖