產品目錄
91看片儿免费看
液體流量計
91看片视频免费
油流量計
91看片网站下载
橢圓齒輪流量計
電磁流量計
渦街流量計
蒸汽流量計
孔板流量計
旋進旋渦流量計
熱式氣體質量流量計
轉子流量計
浮子流量計
靶式流量計
氣體流量計
超聲波流量計
磁翻板液位計
浮子液位計
浮球液位計
玻璃管液位計
雷達液位計
超聲波液位計
投入式液位計
壓力變送器
差壓變送器
液位變送器
溫度變送器
熱電偶
熱電阻
雙金屬溫度計
推薦產品
聯係91看片下载免费观看
- 金湖91看片下载免费观看儀表有限公司
- 聯係電話:15195518515
- 在線客服:1464856260
- 電話:0517-86801009
- 傳真號碼:0517-86801007
- 郵箱:1464856260@qq.com
- 網址:http://www.zhongtaijixie.net
- 地址:江蘇省金湖縣理士大道61號
渦街流量計傳感器接線圖
渦街流量計是一種速度式流量計,根據卡門渦街原理來測量氣體、蒸汽或液體的體積流量。主要用於工業管道介質流體的流量測量,能夠測量氣體、液體、蒸汽等多種介質。其特點是壓力損失小,量程範圍大,精度高,在測量工況體積流量時幾乎不受流體密度、壓力、溫度、黏度等參數的影響。無可動機械零件,因此可靠性高,維護量小,儀表參數能長期穩定。
渦街流量計可用來對各種單相、均勻的液體、氣體、高/ 低溫過熱蒸汽和飽和蒸汽進行流量計量、檢測和控製,廣泛應用於石油、化工、冶金、電力、造紙、製藥、食品等工業部門和市政建設、環保工程等行業。
一. 輸出頻率信號的三線製渦街流量儀表配線設計
輸出頻率信號的三線製流量傳感器采用 DC24V 或 DC12V 電源供電,一般通過三芯屏蔽電纜線(RWP3×0.5mm)與顯示儀表或計算機相連,屏蔽層應可靠地接到放大器殼的接地螺絲上。屏蔽電纜線的選擇應適合現場環境要求,另外屏蔽電纜線要與其它強功率電力線分離,不能平行走線。傳感器端子接線見圖(八)

二.輸出標準 4~20mA 電流信號的兩線製渦街流量儀表配線設計
輸出標準 4~20mA 電流信號的兩線製變送器采用 DC24V 電源供電,一般通過兩芯屏蔽電纜線(RWP3×0.5mm)與顯示儀表或計算機相連,屏蔽層應可靠地接到放大器殼的接地螺絲上。屏蔽電纜線的選擇應適合現場環境要求,另外屏蔽電纜線要與其它強功率電力線分離,不能平行走線。變送器端子接線見圖(九)

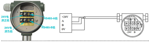
三.帶 RS-485 通訊接口功能的渦街流量儀表配線設計
帶 RS-485 通訊功能的渦街流量儀表采用 DC24V 電源供電,與其它設備之間采用四線製傳輸方式。儀表端子接線見圖(十)

四.防暴型渦街流量儀表配線設計
LUGB/E 三線製脈衝輸出型渦街流量儀表與 LB978 齊納安全柵相連、LUGB/E 兩線製標準 4~20mA 電流輸出型渦街流量儀表與 LB987S 齊納安全柵相連可構成本質安全型防爆係統,產品防爆標誌為 Ex ia Ⅱ CT2-T5。
本安防爆型渦街流量傳感器/變送器與防爆安全柵和積算係統等關聯設備的接線性請參看防爆安全柵廠家提供的接線說明和以下所示圖(十一),圖(十二)。


注意事項:
(1)防爆型傳感器和變送器安裝於危險場所,安全柵、顯示儀表、供電電源,計算機等關聯設備必須安裝在安全場所。
(2)傳感器和變送器應有可靠接地,防爆地線不得與強電係統保護接地共用。
相關資訊
- 渦街流量計產生誤差是什麽原因
- 渦街流量計不歸零處理方法
- 渦街流量計與靶式流量計性能對比
- 渦街流量計抗震解決辦法
- 渦街流量計與平衡流量計的區別
- 渦街流量計有什麽用途
- 渦街流量計的性能特點
- 渦街流量計波動的原因分析與解決方案
- 介質密度對渦街流量計的影響
- 渦街流量計和孔板流量計的區別
- 渦街流量計夾持式與法蘭式的區別
- 渦街流量計維護注意事項
- 渦街流量計的測量精度
- 管道振動對渦街流量計的影響
- 渦街流量計與旋進旋渦流量計有什麽區別
- 渦街流量計的分類有哪些
- 渦街流量計有哪些連接方式
- 渦街流量計的適用範圍
- 渦街流量計對直管段有什麽要求
- 影響渦街流量計測量不準確的因素
- 渦街流量計無輸出故障原因分析
- 渦街流量計為什麽要溫壓補償
- 渦街流量計的應用領域
- 渦街流量計無顯示原因與檢查處理
- 渦街流量計的正確使用方法
- 渦街流量計的原理及結構組成
- 渦街流量計的優缺點有哪些
- 渦街流量計常見故障分析與處理
- 渦街流量計規格型號參數說明
- 渦街流量計傳感器接線圖

